1
/
van
2
Wood-You
WP set voor keukendeurtjes (bossing/profiel/contra-profiel) inclusief 1 profiel
WMEKAS0000009WP set voor keukendeurtjes (bossing/profiel/contra-profiel) inclusief 1 profiel WMEKAS0000009
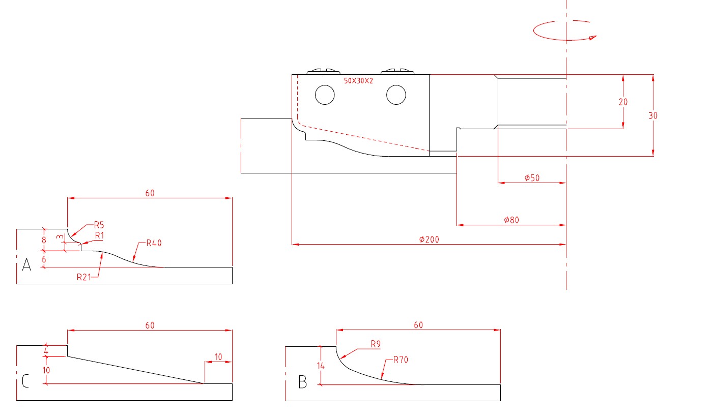
WP set voor het maken van 4 diverse profielen van keukendeurtjes, inclusief de bossing voor het paneel.
D200*50*50 Z2 + D130*40*50 Z2
Aantal tanden : 2
Richting : R
Normale prijs
€774,00 EUR
Normale prijs
Aanbiedingsprijs
€774,00 EUR
Eenheidsprijs
/
per
Kan beschikbaarheid voor afhalen niet laden
Share

